Acrel Medical IT -järjestelmän soveltaminen Malesian sairaaloissa
Kotiin / Projektit / Sairaala / Acrel Medical IT -järjestelmän soveltaminen Malesian sairaaloissa

Acrel Medical IT -järjestelmän soveltaminen Malesian sairaaloissa

Sähköisten lääketieteellisten laitteiden käytön lisääntyessä sairaaloissa vuotovirran riski muodostaa merkittäviä uhkia potilasturvallisuudelle erityisesti tehohoidon ympäristöissä. Kirurgisten toimenpiteiden tai anestesian aikana potilaat kytketään suoraan erilaisiin elektrodeihin ja antureisiin. Pienetkin vuotovirrat voivat aiheuttaa sähköiskun, kun lääketieteelliset laitteet ovat suorassa kosketuksessa ihmiskehoon.

Lisäksi kriittisesti sairaiden potilaiden elämää ylläpitävien laitteiden on ylläpidettävä keskeytymätöntä toimintaa. Mikä tahansa sähkökatkos voi välittömästi vaarantaa potilaiden hengen. Siksi sairaaloiden sähköjärjestelmien on oltava tiukasti kansallisten standardien mukaisia ​​ottamalla käyttöön IT-virtalähdejärjestelmät niille määrätyillä alueilla.

Tämä tapaustutkimus osoittaa Acrelin lääketieteellisen erillisen virtalähdejärjestelmän soveltamisen Malesiassa, jossa on:

Lääketieteen IT-virranjakelu

Eristyksen valvontalaitteet

Vianpaikannusjärjestelmät

Ota yhteyttä
  • Hankkeen yleiskatsaus
  • Hankkeen yleiskatsaus
    Malaysia I.E.D sijaitsee SELANGOR DARUL EHSANissa, projektia käytetään pääasiassa Malesian saarisairaalassa, tuotteita käytetään 12 piirin eristysvian sijaintiin 3 sarjassa sairaalan eristetyssä sähköjärjestelmässä, liittyvät tuotteet ovat eristysvalvontalaite AIM-M200, signaalitestigeneraattori ASG150, keskitetty hälytysilmaisin AID150, eristysvika AIL150-80 ja A-450. Vuotovirtamuuntaja AKH-0.66P26.


    Lääketieteen IT-järjestelmän esittely
    ACREL Medical IT -järjestelmän eristysvalvontalaite ja vianpaikannusjärjestelmä soveltuvat sairaalan leikkaussaliin, teho-osastolle (CCU) ja muihin tärkeisiin paikkoihin ja voivat tarjota turvallisen paikan tällaisille jatkuville, luotettaville tehoratkaisuille.


    Virtalähderatkaisu lääketieteellisiin tiloihin
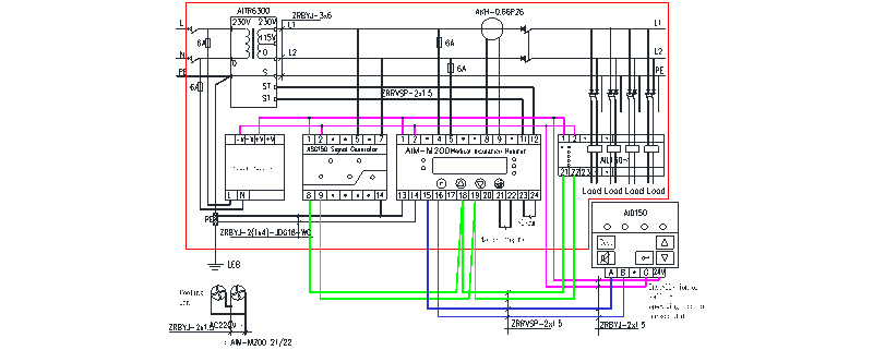
    ICU, CCU-osaston jakeluratkaisut (esimerkiksi GGF-I8G-eristetty sähkökaapin järjestelmäkaavio)


    Vaihtoehto I ilman vianpaikannustoimintoa


    Vaihtoehto II vianpaikannustoiminnolla

    HUOM: Tehohoidon yksikön sähkönjakeluratkaisuissa AID-sarjan keskitetty hälytys- ja näyttölaite tulee asentaa sairaanhoitajapisteeseen, sairaanhoitajaaseman sairaalahenkilökunta seuraa kunkin eristetyn sähköjärjestelmän toimintatilaa.


    Leikkaushuoneen jakeluratkaisut (esimerkiksi GGF-O8G:n eristyssähkökaapin järjestelmäkaavio)

    Vaihtoehto I ilman eristysvian paikannustoimintoa


    Vaihtoehto II eristysvian paikannustoiminnolla

    1. Leikkaussalin sähkönjakeluratkaisuissa AID-sarjan ulkoiset hälytys- ja näyttölaitteet tulee asentaa leikkaussalin sisälle tiedustelupaneeliin tai tiedustelupaneelin viereen (seinäasennus). Leikkauksen aikana lääkintähenkilöstö tarkkailee eristetyn sähköjärjestelmän tilaa.

    2. Eristysvian paikannustoiminnolla varustetussa järjestelmässä voidaan käyttää kahta AIL150-paikanninta, jos paikannettujen kanavien määrä on enemmän kuin kahdeksan. Yhdistelmä voi olla AIL150-8 ja AIL150-4 (jopa 12 kanavaa) tai AIL150 -8 ja AIL150-8 (jopa 16 kanavaa).

    3. Tyypillinen kytkentäkaavio






    4. 7-osaisen Medical IT:n esittely

    Tuotteen nimi ja tyyppi Tuotekuva Kuvaus
    AITR-sarjan lääketieteellinen eristysmuuntaja AITR-sarjan eristysmuuntajaa käytetään erityisesti lääketieteellisissä IT-järjestelmissä. Käämit on käsitelty kaksoiseristyksellä ja niissä on sähköstaattinen suojakerros, joka vähentää käämien välisiä sähkömagneettisia häiriöitä. PT100 lämpötila-anturi asennetaan lankapussiin valvomaan muuntajan lämpötilaa. Koko runko on käsitelty alipainemaalilla, joka lisää mekaanista lujuutta ja korroosionkestävyyttä. Tuotteella on hyvä lämpötilan nousukyky ja erittäin alhainen melu.
    AIM-M200 lääketieteen älykäs eristysvalvontalaite AIM-M200 lääketieteellinen itelligent-eristysvalvontalaite käyttää edistynyttä mikro-ohjaintekniikkaa, jolla on korkea integraatio, kompakti koko, kätevä asennus ja joka yhdistää itelligencen, digitalisoinnin ja verkottumisen yhteen. Se on ihanteellinen valinta eristettyjen sähköjärjestelmien eristyksen valvontaan luokan 2 lääketieteellisissä paikoissa, kuten leikkaussalissa ja tehohoitoyksiköissä.
    Virtamuuntaja AKH-0.66P26 AKH-O 66P26 tyyppinen virtamuuntaja on AIM-M200 eristysmonitoria tukeva suojavirtamuuntaja, jonka suurin mitattavissa oleva virta on 60A ja muunnossuhde 2000:1. Virtamuuntaja kiinnitetään suoraan kaapin sisään ruuvaamalla ja toisiopuoli johdetaan ulos liittimestä, joka on kätevä asentaa ja käyttää.
    AIL150-4/AIL150-8 eristysvian paikannus AIL150-4/AIL150-8 eristysvian paikannus adopts high sensitivity transformer combined with a high precision signal detecting circuit, which detects the signal imported into the system from the ASG150 test signal generator and accurately locates the circuits which have insulation faults. AIL150-4 insulation fault locator can locate the insulation faults of 4 circuits, and the AIL150-8 insulation fault locator can locate the insulation faults of 8 circuits.
    ASG150 testisignaaligeneraattori ASG150-testisignaaligeneraattori käyttää 32-bittistä mikroprosessorisirua ja erittäin tarkkaa signaalin generointipiiriä tietyn testisignaalin generoimiseksi. Kun valvottavassa IT-järjestelmässä on eristysvikoja, se voi käynnistyä ja tuottaa testisignaalin ajoissa, työskennellen eristysvikapaikan kanssa eristysvian sijainnin selvittämiseksi.
    HDR-60-24 virtamoduuli HDR-60-24 tasavirtavirtalähde voi tarjota 24 V tasavirtalähdettä samanaikaisesti AIM-M200:lle
    älykäs lääketieteellinen eristysvalvontalaite, ASG150-testisignaaligeneraattori, AIL150-sarjan eristysvian paikannus ja AID150-keskitetty hälytys- ja näyttölaite Virtalähde on suurikapasiteettinen, vakaa jännitelähtö ja kätevä asennus, joka voi täyttää edellä mainittujen mittareiden virtalähdevaatimukset ja on suositeltu virtalähdetuote.
    AID1 50 keskitetty hälytys- ja näyttölaite Keskitetty AID150 hälytys- ja näyttölaite ottaa käyttöön LCD-nestekidenäyttöä ja saavuttaa tiedonvaihdon AIM-M200 lääketieteellisen älykkään eristysvalvontalaitteen kanssa RS485-viestintäliitännän kautta, joka voi seurata reaaliaikaisesti AIM-M200 lääketieteellisen älykkään eristysvalvontalaitteen monikanavaisia tietoja.

    Paikan päällä olevat valokuvat



Acrel Co., Ltd.