Tervetuloa yhdistämään
Uuden energiateollisuuden nopean kehityksen yhteydessä skenaariot mm kaupallinen ja teollinen energian varastointi , akun vaihtoasemat , ja kotitalouksien aurinkosähkövarastointijärjestelmät ovat asettaneet korkeampia vaatimuksia tarkkuus, yhteensopivuus ja älykkyys / sähkön mittaus . Acrel Electric on kehittänyt täyden valikoiman uusia energiaa tukevia instrumentointiratkaisuja. Nämä ratkaisut on räätälöity eri sovellusskenaarioiden ydinvaatimuksiin, ja ne kattavat mittaustarpeet pienitehoisista kotitaloussovelluksista suuriin teollisiin ja kaupallisiin energian varastointijärjestelmiin. Ratkaisut tukevat luotettavasti uusien energiajärjestelmien vakaata toimintaa ja tarkkaa mittausta.
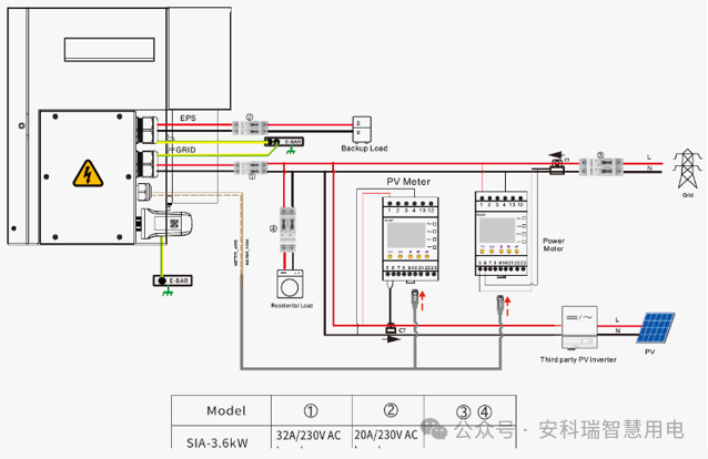
Asuinrakennusten aurinkosähkö ja energian varastointi ovat tärkeä sovellusskenaario uuden energian popularisoinnissa. Acrel on kehittänyt erittäin yhteensopivia instrumenttituotteita, jotka on kohdistettu erilaisiin osaskenaarioihin, mukaan lukien energian varastointiinvertterien sovitus, hybridi-invertteriintegraatio, parvekkeen aurinkosähkövarastointijärjestelmät ja mikroenergian varastoinnin pisteestä-pisteeseen läpinäkyvät siirtojärjestelmät . Nämä tuotteet tasapainottavat integroinnin, mittausnopeuden ja tiedonsiirron joustavuuden.
Aurinkosähkö- ja energianvarastointijärjestelmien usean tuotemerkin yhteensopivuuden markkinoiden ominaisuuksien vuoksi RS485 CT -konfiguraatio on otettu käyttöön ammattimaisten edustajien epävarmoihin asennusolosuhteisiin. Laitteet on sertifioitu kansainvälisillä CE-MID-, UL- ja RCM-sertifikaateilla. 50 ms:n nopealla tiedon virkistystaajuudella laitteet tukevat myös vaihejärjestyksen säätöä, mikä varmistaa tarkan mittauksen ja vahvan yhteensopivuuden.
Laitteet on varustettu jännitteen ja virran pikaliittimillä ja RJ45-tiedonsiirtoporteilla, jotka täyttävät all-in-one-energian varastointiinvertterisuunnittelun korkeat integrointivaatimukset ja kaksikanavaiset mittausvaatimukset jälkiasennusskenaarioissa. Ne tukevat myös 50 ms:n tiedon virkistystaajuutta ja vaihejärjestyksen säätöä sekä kattavaa sertifiointijärjestelmää, mikä tekee niistä sopivia sekä jälkiasennukseen että uusiin asennusskenaarioihin.
Tämä ratkaisu on suunniteltu erityisesti pienitehoisiin hajautettuihin aurinkosähkö- ja energian varastointijärjestelmiin parvekkeilla, ja se tasapainottaa korkean integroinnin kätevän asennuksen ja käyttöönoton kanssa. Sen lisäksi kaksikanavaiset mittaus- ja pikaliittimet , se myös tukee WiFi-, WiFi HaLow- ja Bluetooth-virheenkorjaustoiminnot . Langaton muotoilu yksinkertaistaa huomattavasti asennusta pienissä skenaarioissa, ja tuotteella on CE-RED-sertifikaatti.
Käsitelläksesi heikko levinneisyys ja epävakaa verkon suorituskyky / traditional WiFi in micro-energy storage scenarios, WiFi HaLow (Sub-1 GHz) viestintätekniikka on otettu käyttöön. Perinteiseen WiFi-verkkoon verrattuna se tarjoaa vahvemman läpäisykyvyn ja pidemmän lähetysetäisyyden. LoRa-viestintään verrattuna se tarjoaa suuremman siirtonopeuden ja paremman vakauden. Laite tukee natiivisti tätä tekniikkaa ja vaatii vain ylimääräisen tukiaseman invertterin puolella langattoman tiedonsiirron mahdollistamiseksi. Se tukee myös nopeita yksi-yhteen- ja yksi-moneen verkkomäärityksiä, joten se sopii kotitalouksien moniinvertteri- ja parvekemikrovarastojärjestelmiin.
Teollinen ja kaupallinen energian varastointi, laajamittainen energian varastointi ja akkujen vaihtoasemat vaativat tiukkoja mittaustarkkuuden, päivitysnopeuden, asennuksen joustavuuden ja säädöstenmukaisuuden standardeja. Acrel tarjoaa upotettuja ja DIN-kiskoon asennettuja instrumenttituotteita, jotka perustuvat avainvaatimuksiin, kuten esim usean tariffin laskutus, kysynnän mittaus, käänteisen virtauksen suojaus ja langaton viestintä , joka tukee sekä uusia asennuksia että jälkiasennussovelluksia.
APM521 on saanut ulkomailla CSA (UL) -sertifikaatin ja tarjoaa aktiivisen energian mittaustarkkuuden jopa 0,2 s luokkaan (luokka D). Se on varustettu SD-korttitallennustilalla reaaliaikaisia sähköparametreja varten. Modulaarinen pääyksikön laajennusmoduulirakenne tukee sekä upotettua että DIN-kiskoasennusta, mikä täyttää monipuoliset asennusvaatimukset uusissa projekteissa.
Tämä on 0,5S-luokan mittari ulkoisella CT:llä, jota käytetään laajalti suurissa asiakassovelluksissa. Se tukee toissijaista CT-jälkiasennusjohdotusta ja voi puristaa suoraan olemassa olevien virtamuuntajien toisiopuolen virran, mikä tekee siitä erittäin sopivan mittarien jälkiasennusprojekteihin. Tuotteella on CPA-, CE- ja UL-sertifikaatit, ja se voidaan myös räätälöidä nopeaksi päivitysversioksi täyttämään korkean suorituskyvyn sovellusvaatimukset.
Lisäksi teollisiin ja kaupallisiin ratkaisuihin on integroitu ylikuormitussuojatoimintoja. Järjestelmä voidaan liittää korkean ja matalan jännitteen puolen energianvarastointiskenaarioihin ja se voi toimia useiden tariffien sähkömittareiden kanssa tarkan sähkönmittauksen saavuttamiseksi eri tariffirakenteissa tarjoten kattavan turvallisuuden ja energianhallinnan tuen teollisille ja kaupallisille energian varastointijärjestelmille ja akkujen vaihtoasemille.
Uuden energiateollisuuden jatkuvien päivitysten yhteydessä Acrel keskittyy edelleen innovaatioihin ja parantaa edelleen uutta energiaa tukevaa instrumentointiteknologiaansa ja tuotejärjestelmäänsä. Yrityksen tavoitteena on tarjota tehokkaampaa, älykkäämpää ja luotettavampaa sähkön mittaus solutions kaupallisiin ja teollisiin energian varastointiin, paristojen vaihtoasemiin ja kotitalouksien aurinkosähkövarastointisovelluksiin, mikä auttaa edistämään uuden energiateollisuuden korkealaatuista kehitystä.
